| модель | СП-320-5 | SP-320-12 | SP-320-24 | SP-320-48 |
| напряжение постоянного тока | 5В | 12V | 24В | 48В |
| допуск напряжения | ± 2% | ± 1% | ± 1% | ± 1% |
| номинальный ток | 55А | 25А | 13А | 6.7A |
| текущий диапазон | 0-55А | 0-25А | 0-13А | 0-6.7A |
| номинальная мощность | 275W | 300Вт | 312W | 321.6W |
| рябь и усилитель; шум | 150мВп-п | 150мВп-п | 150мВп-п | 240мВп-п |
| диапазон регулировки DC | ± 10% | -16%, ± 10% | -16%, ± 10% | -15%, ± 17% |
| диапазон напряжения | 88 ~ 264 в переменного тока с частотой 47 ~ 63 Гц; 120 ~ 370 в постоянного тока | |||
| коэффициент мощности | PF & Gt; 0.95 / 230VAC, PF & Gt; 0.98 / 115VAC при полной загрузке | |||
| ток переменного тока | 5A / 115VAC 2,5A / 230VAC | |||
| эффективность | 79% | 86% | 87% | 89% |
| Инрушское течение | 22A / 115VAC · 40A / 230VAC | |||
| Over Load | 105% ~ 135% | |||
| превышение напряжения | 115% ~ 135% | |||
| Рабочая температура, влажность | -20 ° C ~ + 65 ° C; 20% ~ 90% RH | |||
| температура хранения, влажность | -40 ° C ~ + 85 ° C; 10% ~ 95% RH | |||
| вибрация | 10 ~ 500Hz, 2G 10min. / 1 цикл, период 60min, каждая по осям X, Y и Z | |||
| выдерживать напряжение | I / p-o / P: 3KVAC I / P-FG: 1,5KVAC O / P-FG: 0,5KVAC | |||
| изоляция-сопротивление | I / p-o / P, I / P-FG, O / P-FG: 100M Ohms / 500VDC | |||
| стандарт безопасности | дизайн см. UL60950, TUV EN60950 | |||
| стандарт ЕМС | дизайн см. EN55022, EN61000-3-2, -3, EN61000-4-2,3,4,5,6,8,11; ENV50204, EN55024 | |||
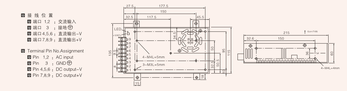
| измерение | 185 * 120 * 93мм | |||
| вес | 1,8 кг | |||
| Упаковка | 40 * 26 * 22 см / 8 шт / 14,5кг | |||
320w PFC одноступенчатый источник питания для освещения
SP-320 представляет собой ряд закрытых блоков питания с универсальным входом переменного тока и встроенной коррекцией коэффициента мощности (PFC).
Серия SP обладает мощностью от 75 до 240 Вт и включает в себя встроенную защиту от короткого замыкания, перегрузки, пере напряжения и перетемпературы, охлаждение либо конвекцией свободного воздуха (SP-75 / SP-100 / SP-150) или охлаждение через встроенный вентилятор постоянного тока (SP-200 / SP-240).
Опции серий: SP-75, SP-100, SP-150, SP-200, SP-240 SP-320 SP-500 PSP-600.
Если у вас есть вопросы, пожалуйста, не стесняйтесь связаться с нами по адресу: Email: [email protected].Наши специалисты отвечают на Вас как можно скорее.
- описание
белый колпачок на соединителе предназначен для обеспечения безопасности от электрического удара и защиты от пыли
и мы сами производим трансформаторы и силовые индукторы с чистыми медниками,
мы являемся производителем питания с 15-летним опытом работы.
наша продукция имеет сертификат CE RoHS для обеспечения качества.
источник питания одноступенчатого освещения PFC мощностью 320 Вт имеет универсальный вход переменного тока, который является полным диапазоном (до 264 в переменного тока).
этот продукт имеет минимальное количество заказов 100 штук и может быть настроен с помощью этикеток.
продукт прошел 100% -ный тест на старение с полной нагрузкой.
на этот продукт распространяется 24-месячная гарантия.
Какие лучшие продукты питания для вашего бизнеса?
Повышайте свой бизнес с Weho Quality Power Supply Prooducts.
Спросите у эксперта


